Porduct Show
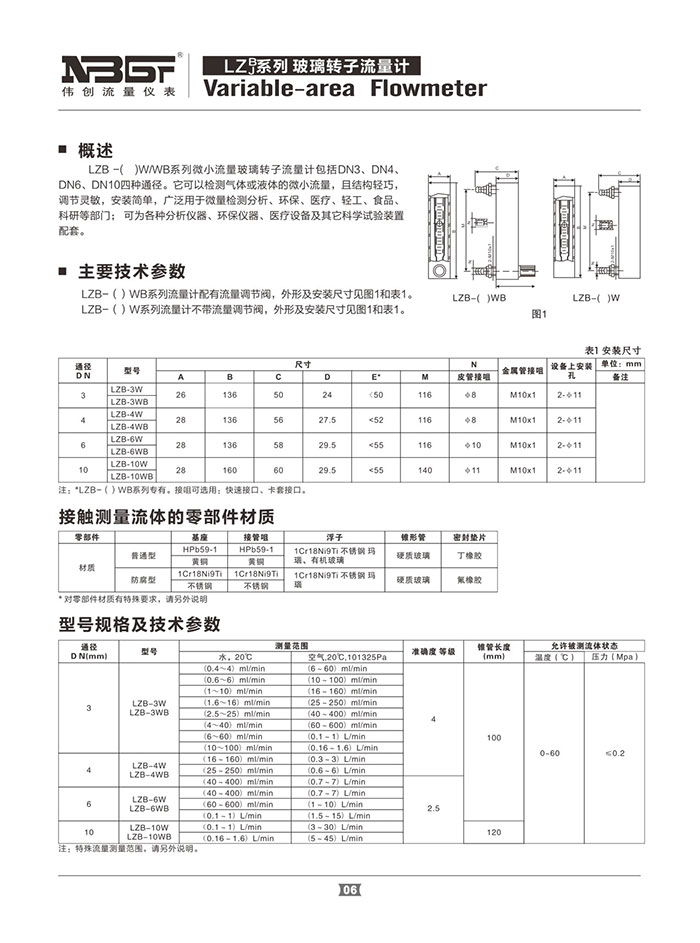
LZ(B/J)系列 玻璃转子流量计






LKD800系列玻璃转子流量计


LZB-FA100玻璃转子流量计

LZB-VA/FA/WA系列 玻璃转子流量计

LZB-WS 卫生型玻璃转子流量计

VA/SA/FA10S 系列玻璃转子流量计

LZB-EV 系列流量计

LZB-DK300 玻璃转子流量计

More Products
LZ(B/J)系列 玻璃转子流量计






LKD800系列玻璃转子流量计


LZB-FA100玻璃转子流量计

LZB-VA/FA/WA系列 玻璃转子流量计

LZB-WS 卫生型玻璃转子流量计

VA/SA/FA10S 系列玻璃转子流量计

LZB-EV 系列流量计

LZB-DK300 玻璃转子流量计
